Активность
- Последний час
-
Staass подписался на Volkswagen Golf 4 1.6 fsi (bad) ошибка 17428 p1020
-
Я не знаю, что произошло с автомобилем, пока он ехал в Минск. Могу предположить, что "поплыл" шкив и чудным образом его довернуло в момент рывков. К сожалению авто в России и нет возможности снять существующие параметры. Вероятно закончилась плеяда пытливых диагностов моего поколения, для которых всегда важно дойти до истины. Те, с Минска, твердят, что проблема была порождена турбиной. Но к своим словам не могут приложить ни одного внятного убедительного доказательства.... Мы говорим- вы нам верьте. Увидели торчащую прокладку - УРА! Победа , мы нашли причину... Но у меня очевидный факт: снимки потока параметров сразу после запуска и через 20 сек при нормализации. Значения заданного и действительного давлений соответствуют и не меняются. Турбина никаким образом не оказывает влияние на момент запуска и холостой ход. В этих режимах её вообще можно снять физически - ничего не изменится. Надеюсь, что найдётся реальный специалист по данной модельной линии Ford.
-
Статусы первым делом смотрел и в замке и в моторном все ок! Даже отключал CAN от замка в моторном тогда статус не менялся при повороте ключа на старт!
-
Mb key подписался на Помощь с заменой VGS3NAG2
-
Autel 608 pro 2
- Сегодня
-
СЦИЛЯ НА ЯНДЕКС ДИСК FORScanSetup2.4.19.beta.exe
-
OnlyVags отреагировал на сообщение в теме:
Passat CC (B7) USA, мили в км
-
-
shundrov отреагировал на сообщение в теме:
Passat CC (B7) USA, мили в км
-
shundrov отреагировал на сообщение в теме:
Passat CC (B7) USA, мили в км
-
Ну в моем понимании тоже, может особенности RR)
-
Agarod подписался на Range Rover Sport 2007 ток утечки.
-
80 мА многовато, но не критично. На сколько помню, стеклоподъёмники работают только на зажигании.
-
Отчёт. Мерседес w221, S500, 2007год (с Keyless) пин-код получен за 10 мин без всяких токенов. Хозяин авто купил новый китайский ключ без кейлесса. X-prog 3 определил как ключ BE и всякие иденты,внутри плата на NEC. Ключ прописался, авто заводится,но не работает ДУ. На самом пульте не мигает красный LED. Сигнал RF с пульта не проверял. Но после записи ключа x-prog написал инструкцию,типа если ДУ не будет работать,то попробовать отключить ключ в иммо,затем снова включить. Короче я проигнорил эту полную инструкцию, уже не помню содержание,было 12 ночи и все надоело. И ключ уже невозможно было стереть,прочитать или прочитать пароль из якобы "BE ключа". Наверно из-за NEC. Пробовал разное ПО менять, чтобы заставить работать с EPROM. Не работает,чушь читает по-прежнему. В обновлениях смена ПО указана как RESET IMMO PROG.
-
ax77 подписался на maxima a33
-
Доброго времени суток. Подскажите пожалуйста кто знает - при замене двигателя и акпп maxima a33 2001 года с 2.0 на 3.0 вместе с акпп - достаточно поменять только блоки управления двигателем, иммо и акпп - или на акпп еще нужны изменения в проводке?
-
exemple подписался на Range Rover Sport 2007 ток утечки.
-
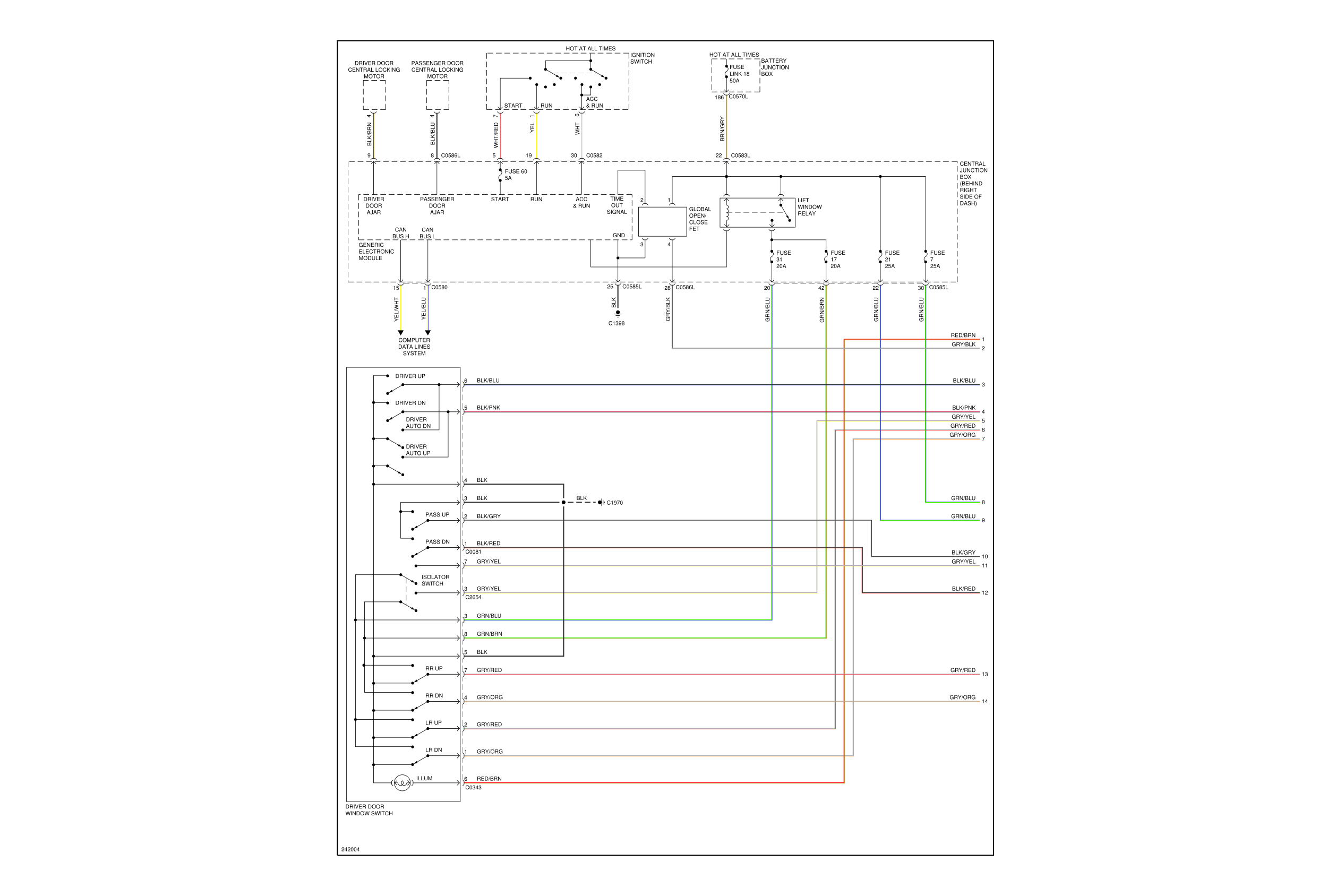
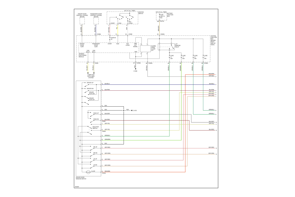
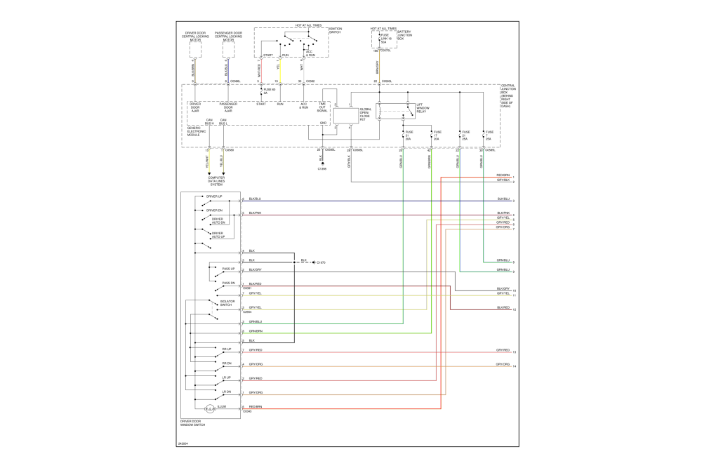
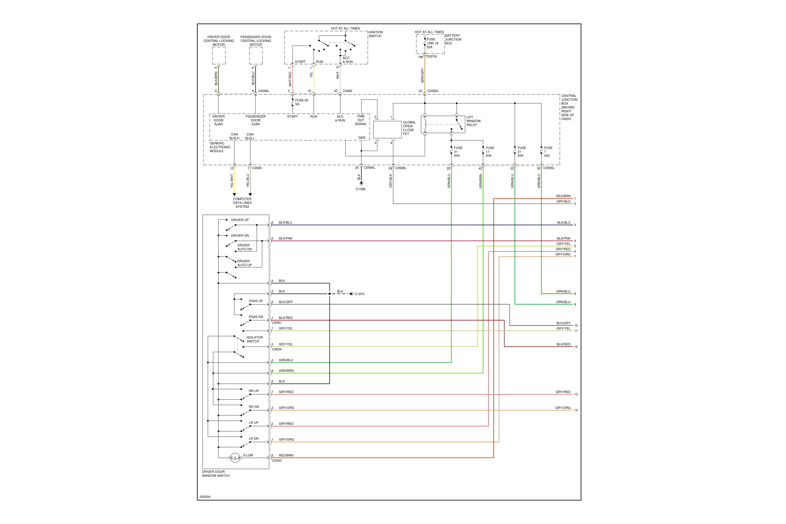
Доброго времени суток, Range Rover Sport 2007 с жалобой разряда акб, то что акб под замену это одно. При замере тока утечки выходит около 80мА стабильно стоит авто засыпает около 30мин. При снятии F7 и F21 под бардачком это стеклоподьемники передние падает до 30мА, стеклоподьемники если преды стоят работают постоянно только передние. Эта такая особенность авто? По схеме вроде как да ничего особенного нет, приложил...или 80мА для этого норм для жизни? Разьемы между дверей и кузовом вычистил до состояния новые, были в печальном состоянии)
-
kaa834 присоединился к сообществу
-
Вроди да если нет то пробуй 45678 далее вход (11)пароль 45678 дале (50) канал и пароль от приборки
-
я вычитал пин с симоса, старой панели нет можна сказать. в симосе пин код же тот же что и в старой панели должен быть?
-
Dmitriy79 отреагировал на сообщение в теме:
Prius 2012 нужны точки подключения к eeprom
-
fet1111 отреагировал на сообщение в теме:
Geely emgrand x7 2.0 плохо заводится на холодную
-
ИГОРЬ1989 отреагировал на сообщение в теме:
Sps online и чужой вин код
-
GeParDos подписался на Прошивка для SM2 Pro Clone
-
Всем Добра! Есть модуль WH-BLE106. Появилась мысль прикрутить его к SM2, но возник вопрос: Сможет ли SM2 работать с BLE?
-
Поставил тут https://carmasters.org/topic/34603-titan-a60-сервизное/#comment-475357
- Вчера
-
vlad101 отреагировал на сообщение в теме:
Помощь с заменой VGS3NAG2
-
Summary of Power‑Steering Issue – VW Passat 2012 Initial symptoms – The power steering worked normally, but the horn and steering‑wheel buttons were dead and there was a faint squealing noise when turning the wheel. This pointed to a defective clockspring (spiral ribbon). Repair attempt – To access the clockspring, the mechanic disconnected the steering‑angle sensor (G85) and the spiral ribbon and moved the car while these parts were unplugged. After that, the steering assist stopped working entirely. Diagnostic scan showed two fault codes: 02546 – Steering limit stop: no/incorrect basic setting – meaning the control unit no longer knows the end‑stop positions. 03375 – Steering motor: mechanical failure – a safety lockout that is set when the car is moved with the steering‑angle sensor disconnected. Current status – The mechanic has repaired or coded the spiral ribbon so that the horn and buttons now work and there is no “spiral error,” but the power steering is still inactive and both codes remain stored. Help/fixes/reccommendations?? its very urgent
-
Щас материться буду 🤬🤬🤬🤬 еще раз - все эти варианты рабочие. Но они сложные. Это для продвинутых. Я так понимаю, ты не продвинутый (именно в этом вопросе). 100500 раз повторюсь - сделай как обычные люди делают (которые даже во сне не знают что такое ведиамо и тд). - занули плату, привяжи дасом, хрен забей на переносы адаптаций.
-
Так и будет всегда.не можем найти в СЕМе,где КС .прописана.А так бы все поправили)).больше 100 машин с изменненым дампом,и только эта ошибка висит.на работу мотора и остального не влияет.чек не светит.