Перейти к содержанию

Активность

Лента обновляется автоматически

  1. Последний час
  2. ID: 9038054B0B69355330D6E7D1EC4C6902 Ver: 14.20.XXX NA: 6bb6015d2ccf71c1a604afd1a943f6b740002510141909 EU: beac41013641746bb8784b9eeb3c098640002510141909 JP: 63cc30d35ee119010025140041608794bf3b60f84689e3 OT: baddc12f1cfc959a53141cd3376d390240002510141909
  3. Здравствуйте, можно и мне активацию 9038054B0B69355330D6E7D1EC4C6902 14.20.019
  4. Для нашего региона экземпляр редкий, информации именно по 2 поколению, с цепью, не нашёл. Владелец ехал из России, задрало поршень. Купили мотор, поставили, хозяину работа не нравится. Запуск лёгкий, но ощущается вибрация. До перехода на холостые обороты может не слушаться педали, шум догорания смеси в глушителе. При переходе к холостым оборотам может ощутимо колотнуть. Дальше работает нормально. Ошибок нет. Первым делом решил проверить правильность установки шкива коленвала, синхронизацию валов. НО информацию на данный мотор нашёл скудную. Есть аналогия с другими моторами Ecoboost, опыт ремонта моторов с изменяемыми фазами у других производителей. Вижу, что фазы не должны быть такими и косвенные признаки указывают на это. Владельцу сказали в Минске, что цепь на этих моторах перескочить не может, а дело в турбине... Я считаю, что при установке цепи поршень не был выставлен фиксатором в ВМТ. Поэтому сигналы распредвалов синхронизированы с задающей меткой шкива, а вот шкив относительно ВМТ стоит неправильно. По аналогии с 1.0 1-поколения, где ВМТ приходится на 20 зуб, предполагаю, что здесь также будет на 20-том, но никак не на 17-том. Поэтому и ошибок нет. Коллеги, у кого имеется сервисная документация или снятые осциллограммы, прошу помочь. Результаты своих измерений выкладываю.
  5. На спринтерах с этим мотором часто не заводилось из за датчика распредвала и проводки на него. И ошибка на него не указывала.
  6. REZON

    HONDA Code,

    Це не кальк, калька по серійнику для Honda не існує. Це ви використовуєте данні з ділерского сервера. 4 знаки код це для навігаціії 5 знаків для радио.
  7. блин, попытался официальную установить.. а нет, теперь активация через фордовский портал с логином и паролем.. откатился назад до 131.4 а я покупал просто номер активации.. шустрые блин! да и в 132.01.. 132.02 ничего нового, только добавлены клоны по аппаратной части и VCX кстати, хорошая утилита для удаления IDS cleanupids.exe
  8. stutterer

    Audi q7 edc17cp24

    Ошибка блоки перепутаны. Но при этом оба должны идти на связь. Кодировка в обоих должна быть. Файлы позже посмотрю, отпишу что и как.
  9. Alex-B

    HONDA Code,

    Код должен быть 5 знаков, и 7 цифры там нет, я думаю, когда раскодировали, левый дамп загнали. Приедет аппарат, считаю 24С32 и разберусь.
  10. LEO_NEED

    Audi q7 edc17cp24

    А с питанием блока всё нормально?
  11. REZON

    HONDA Code,

    Привіт, теж саме Serial Number: 23008644 Code: 3167
  12. посмотрел на rotkee , такая же херня с амплитудами на эталонах из старых банальных поломок - обестачивается ЕБУ при ВКЛ 50 клеме, и помехи со стартера. Диагностика не отваливается , когда крутим и не заводится ? я о просадке напряжения на борту
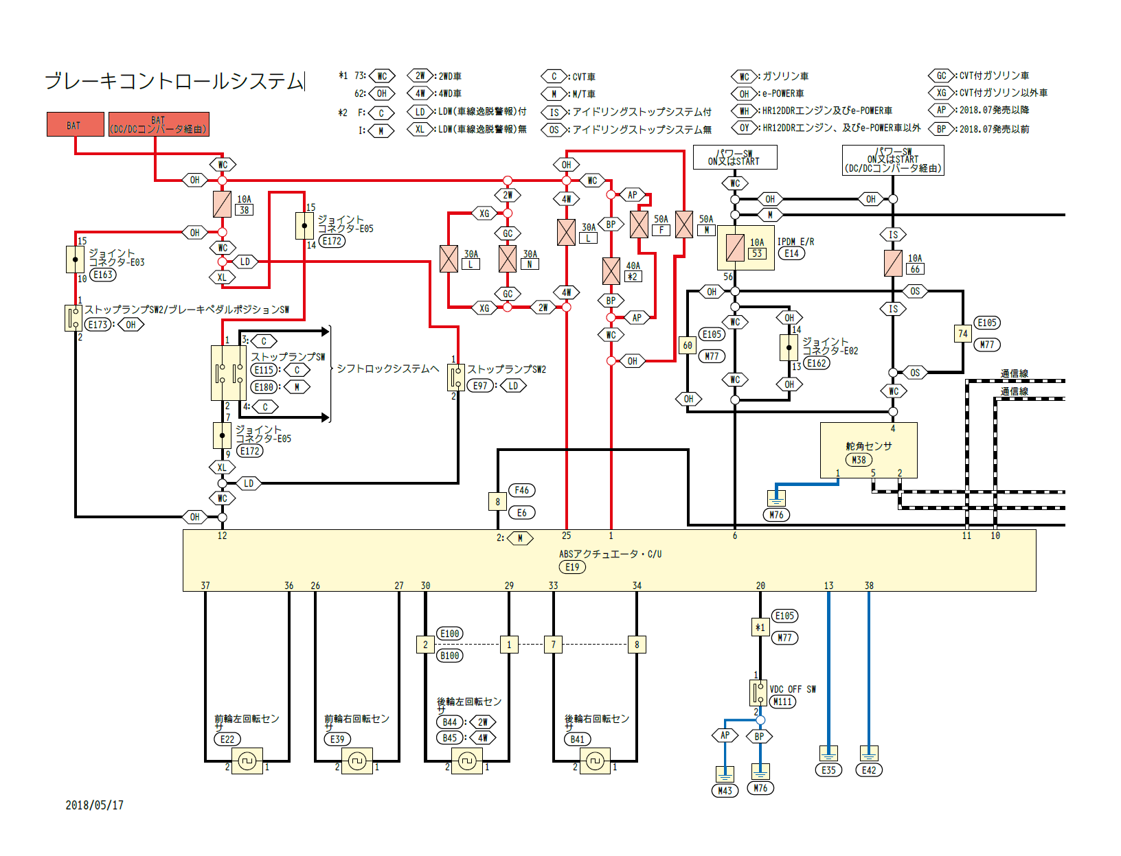
  13. Вот схема АБС от енота. Возможно будет что-то похожее
  14. Сегодня
  15. а постоянно меняющаяся амплитуда сигнала откуда ? если двигатель на ХХ работает
  16. Машина заводится и работает, из-за зуба проблемы с периодической незаводкой не будет
  17. Для нашего региона экземпляр редкий, информации именно по 2 поколению не нашёл. Владелец ехал из России, задрало поршень. Купили мотор, поставили, хозяину работа не нравится. Запуск лёгкий, но ощущается вибрация. До перехода на холостые обороты может не слушаться педали, шум догорания смеси в глушителе. При переходе к холостым оборотам может ощутимо колотнуть. Дальше работает нормально. Ошибок нет. Первым делом решил проверить правильность установки шкива коленвала, синхронизацию валов. НО информацию на данный мотор нашёл скудную. Есть аналогия с другими моторами Ecobooct, опыт ремонта моторов с изменяемыми фазами у других производителей. Вижу, что фазы не должны быть такими и косвенные признаки указывают на это. Владельцу сказали в Минске, что цепь на этих моторах перескочить не может, а дело в турбине... Я считаю, что при установке цепи поршень не был выставлен фиксатором в ВМТ. Поэтому сигналы распредвалов синхронизированы с задающей меткой шкива, а вот шкив относительно ВМТ стоит неправильно. По аналогии с 1.0 1-поколения, где ВМТ приходится на 20 зуб, предполагаю, что здесь также будет на 20-том, но никак не на 17-том. Поэтому и ошибок нет. Коллеги, у кого имеется сервисная документация или снятые осциллограммы, прошу помочь. Результаты своих измерений выкладываю.
  18. Может быть я ошибаюсь но зубя несовподают с етолоннои осциолограммои, перщитаите вы.
  19. Подсоединяйте прибор кабелем USB к компу и обновляйте... питания 5v USB достатачно для обновления...
  20. rmirke

    Audi q7 edc17cp24

    Ауди q7 4.2 tdi ccfa edc17cp24 С авто на двух блоках плотно не работал. Первый блок установлен в лежачем положении предположительно master. Id диагностики 01. Блок вскрывался верхняя крышка эбу вообще стоит от бензинового блока. второй установлен в вертикальном положении slave. Id диагностики 11. авто после покрасочных работ не заводиться,вентилятор крутит. в 01 блоке (master) ошибок нету кодировку не удается считать. в блоке 11 висят ошибки фото прилагаю. Кодировку отдает, идентов больше чем в первом. в других блоках ошибки на отсутствие связи с блоком двс. смущают ошибки на связь с эбу + отсутствие кодировок в 01 блоке. Может их там и не должно быть. вычитал предположительно master(верхняя крышка от другого блока) ктагом и amt bst slave только amt bst чтобы не вскрывать. файлы прилагаю. Прошу проверить целостность. q7 audi.rar
  21. да, приводного ремня. Машиной занимался не я, мой коллега с другой смены, Поэтому со слов. В любом случае, есть ошибка по колену, там и нужно копать. Большую часть вы уже проверили. Проблема будет где-то в зазоре между датчиком и мишенью, как мне кажется
  1. Загрузить ещё активность
×
  • Создать...