Перейти к содержанию

Активность

Лента обновляется автоматически

  1. Последний час
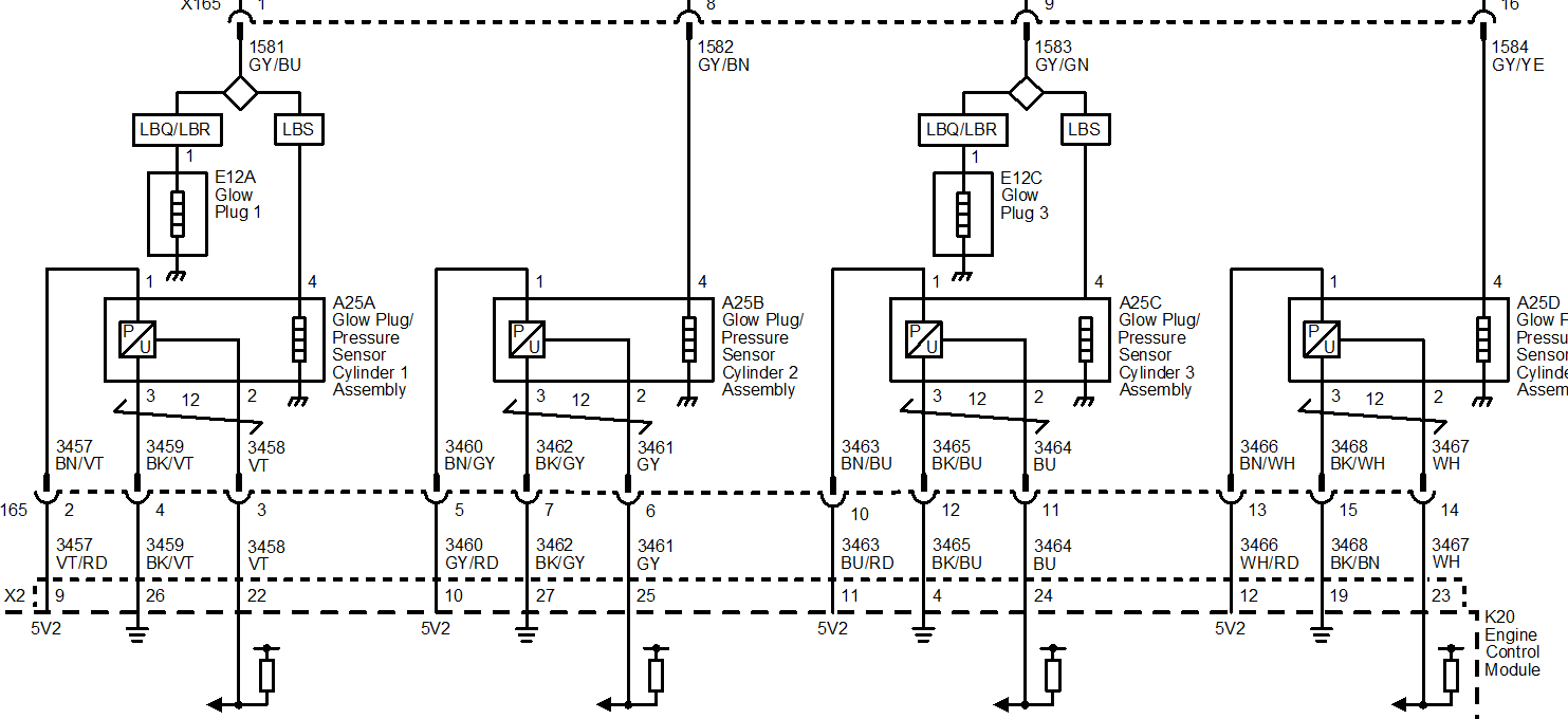
  2. A20DTH. Нету физически датчиков давления на этом двигателе. Надо доказать ?завтра сфотографирую
  3. Всем спасибо , проблему нашел. Был плохо сделан краш в блоке SRS и он садил шину. Но переделав все, чтобы было нормально , оказалось , что движок в клине... А то я изначально снял и зарядил литиевую батарею, потом искал проблему с проводами, а оказалось, что дальше еще и движок лег... Грустно.. Всем спасибо за советы.
  4. Без датчиков это A20DTL ,почти тоже самое , ну это так , главное победа
  5. Дайнис,, а у вас есть информация ,что на этом двигателе , при плюсовой температуре идет шим управление накалом?
  6. @Viktor_UA в телеграмме найдите, сейчас всё равно доступ для CP Audi очень редко появляется. А он вам поможет думаю
  7. Откуда такая информация? Свечи всегда работают в момент старта и даже после.... ...уменьшает выброс как бы...
  8. Парни, привет! Помогите пожалуйста с пином Blaupunkt BNO 881 по дампу. мафан.rar
  9. Спасибо всем кто участвовал Особенно спасибо тем кто привел графики синхронизации и указал напряжения индуктивного датчика при старте двигателя. Сегодня плюнул на новый датчик коленвала от боша 0986280446 и заехал ребятам занимающимся итальянскими машинами. Взял у них б/у датчик , установил за несколько минут. И без проблем . почти сразу завел двигатель. На этом , конкретно двигателе не стоят свечи с датчиком давления. И вообще свечи при наружной температуре в +8 градусов на улице и еще более теплом помещении сервиса не включаются по определению. Ну и топливо не моча. И компрессия еще пока не совсем дохлая Напряжение начало запуска 0.6 вольта. ХХ 1+ вольта Всем спасибо. Тему по всей видимости можно закрыть
  10. А зачем менять инвертор если ошибка указывает на блок управления гибридом который за бардачком.
  11. Никогда не делал, щас тыкаться буду скрлько времени, разбираться с сайтом или может какие подводные камни вылезут. Пусть лучше сделает знающий человек
  12. Сегодня
  13. Здравствуйте. С решением по км, на такую панель, можете помочь?
  14. Всем привет! проблема такая ошибка P0A1D 723 подкод запускается работает минут 20 и глохнет встает в аварийку! зажигание выключил / включил заного работает также мин 20! что с нагрузкой что без печку Инвертор пробывали менять с разборки, не помогло! Кто имел опыт с данной проблемой!? хотел бы получить совет или помощь в устранении ошибки!!!!
  15. Главное что б был HSFI - 2.1 Сделаете именно сброс и привязку через carpass донорский и родной,и все будет функционировать
  16. Есть Full Ktag от нового блока.
  17. TMS gen2 делает за пару сек по ОБД предварительно купив токен
  18. Так новый ЭБУ идёт чистым и ему под VIN авто необходимо сделать reprog. Или как его поставили? По другому вряд-ли возможно.
  19. Kia Rio 1.5diesel 2007 год D4FA Перерыл Интернет не нашёл Вроде ведро то старое или может секреты какие есть, короче выкладываю рабочуюю осцилку
  20. Smok без разбора прочитает и запишет еепром. Делал много таких блоков, проблем не было. Скорее да, чем нет. Всегда привозили блоки с разными номерами. Делал клон, проблем ни разу не было.
  21. Дальше, как вам будет угодно.
  22. спасибо за дельный совет, я не сразу понял, что АВТОпривязка. Дальше в личку?
  23. Что вы плетёте... Какой пин и какой офлайн?! Вы хоть простите что я написал в предыдущем сообщении. Под АВТОПРИВЯЗКУ. Вам знакомо такое слово, или надо объяснить? Лучше отдайте эту машину кто разбирается в Рено, мой вам дельный совет.
  24. нет никаких сложностей взять и соответствовать правилам, потратив 10 минут, чем попрошайничать.
  25. не знаю, с вирджин епромом клип оффлайн, справится? Да и пин нужен.
  1. Загрузить ещё активность
×
  • Создать...