Перейти к содержанию

Активность

Лента обновляется автоматически

  1. Последний час
  2. Где Доп первая строка пусто... А в епроме моторного вин и еще одна строка похожая есть?
  3. Всем привет. Fvdi 2015 прошивка от квера. Не работает по кан шине. Кто не будь ремонтировал? По к линии прекрасно рвботает. Подключил к GL 164 2011 года.ни одного блока не увидел.менял в настройках скорость,Ом не помог. Спасибо
  4. den5

    98820BT50A crash

    не разберетесь, пишите в лс
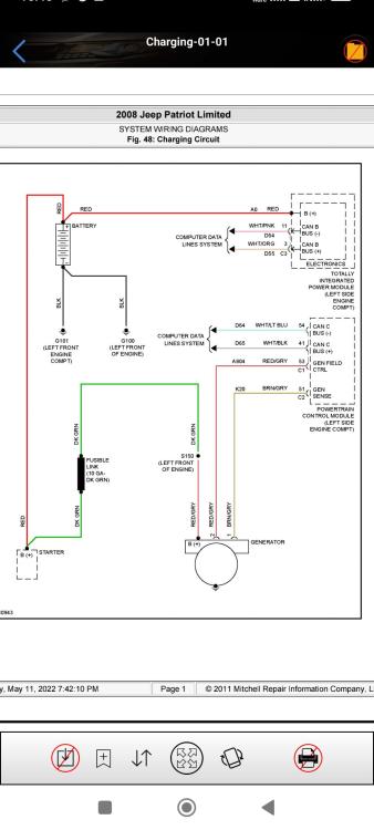
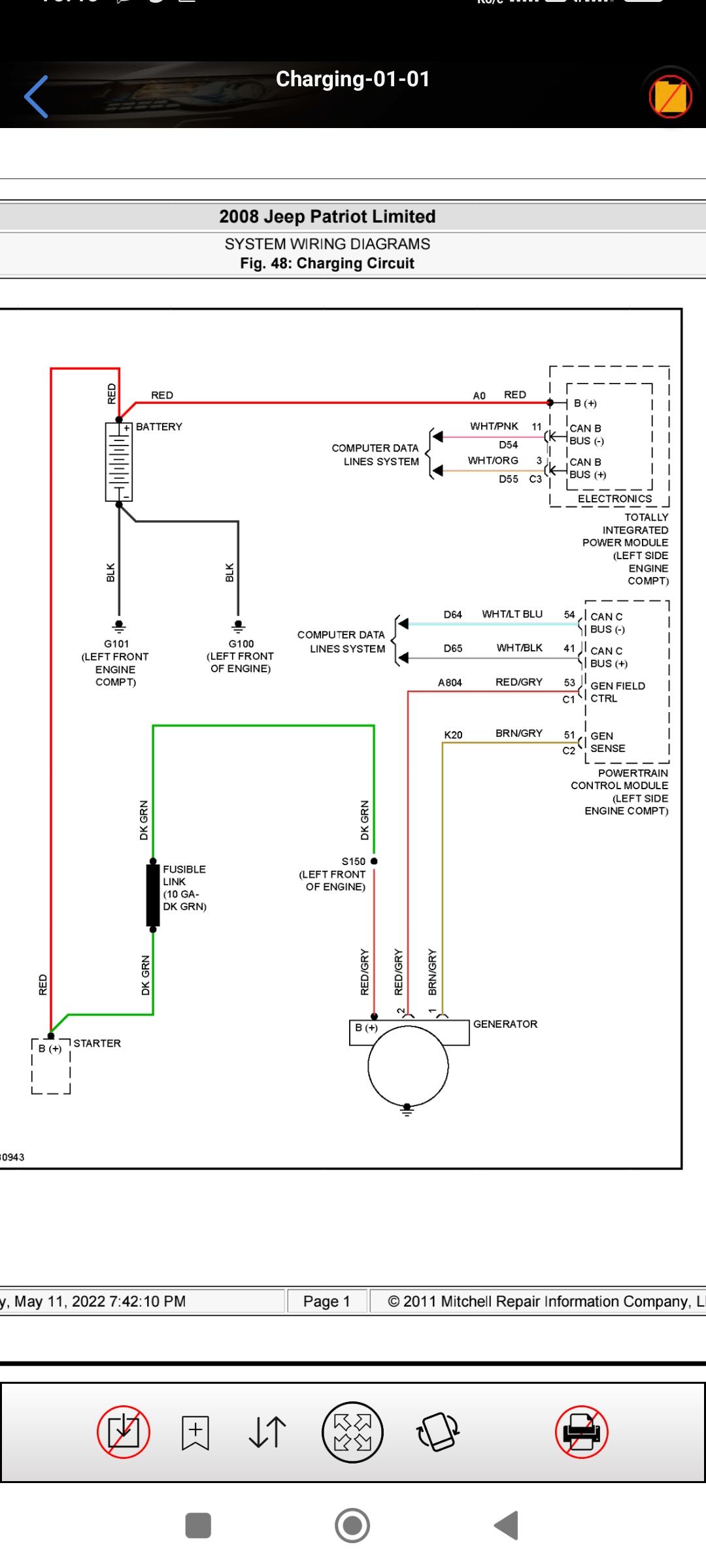
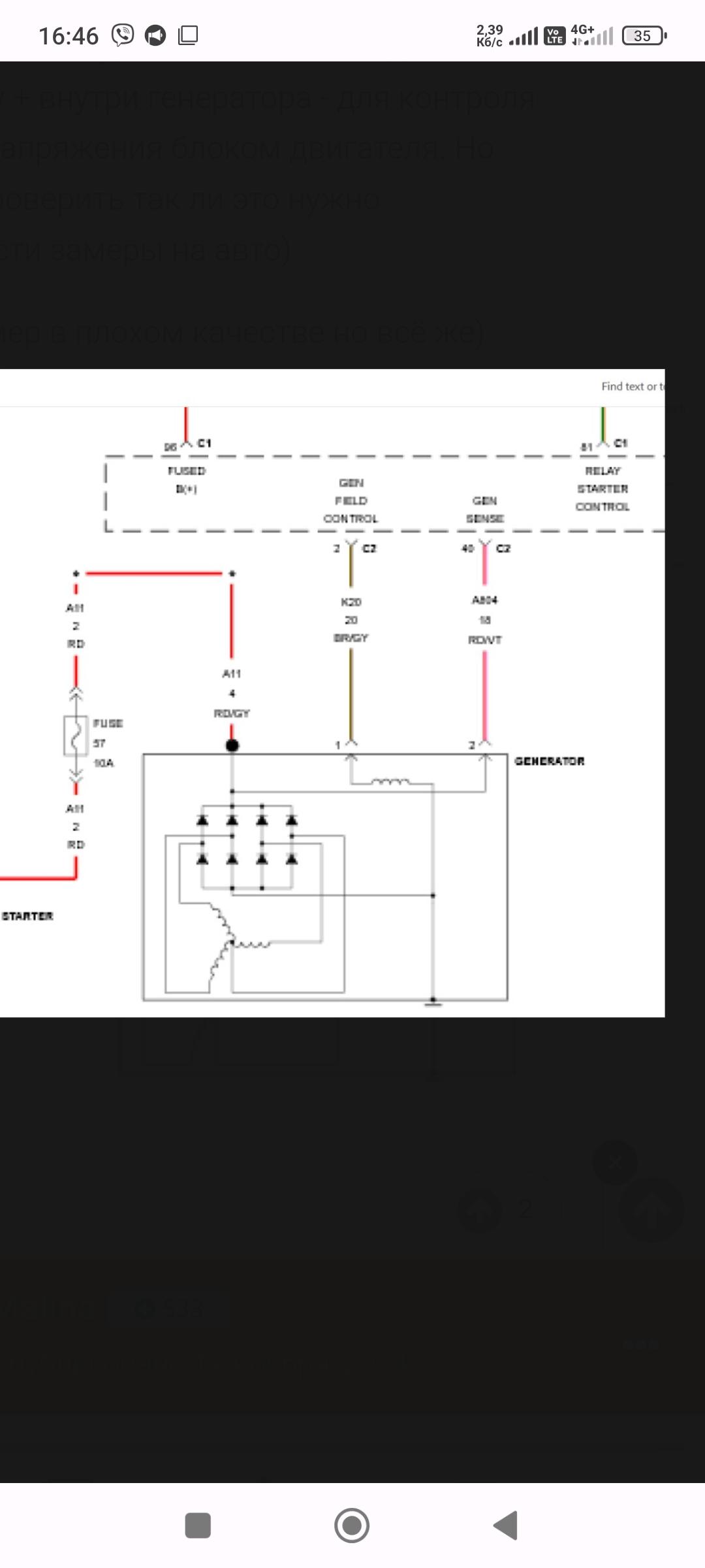
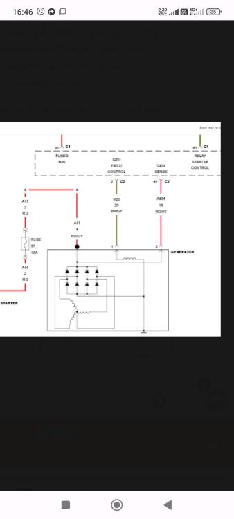
  5. Тут управління збудженням генератора йде напряму від ебу, принцип той же як і в звичайному регуляторі напруги- +12В, і імпульсний вихід для ШИМ регулювання. Якщо вихідний каскад ЕБУ накрився, то або ремонт ЕБУ, або чіпляти виносний регулятор (я так робив на якомусь американцю) Хоча ні, трохи не так. Один кінець обмотки збудження сидить на корпусі (маса), а керування струмом обмотки збудження іде по плюсу. Наче так. А інший провід іде як інформація до ЕБУ про стан заряду
  6. вот фото . ето я видел . все с кем общался советуют ори брать . хорс вообще глючат и наверное потому их прекратили выпускать
  7. User_1

    98820BT50A crash

    такой вариант тоже пробовал, краш присутствует
  8. Benadas

    98820BT50A crash

    ечо один вариант от похожево блока Qashqai_11.zip
  9. Есть номер ключа , или хотяб фото ? Есть номер ключа , или хотяб фото ?
  10. В ABS не возможно сменить тип коробки при помощи RenoLink. Облазил все. Потом нашел, что только переписываанием Flash, тем же самым RenoLink.
  11. Сегодня
  12. Во второй строке ВАГ-КОМА которая под номером блока при соеденении высвечивается 2 кода, ведь блок как я понимаю иммо 3. Был у меня такой блок, на диагностике не отдавал эти коды а в еепром они были, прописываться отказывался.
  13. User_1

    98820BT50A crash

    делал по аналогичному примеру, блок с такими правками на связь не выходит. авто постояло немного и блок уже на связи, но краш так же присутствует
  14. Что за бред, переписывать флеш АБС? Мудофлешер там и не нужен. Версия с таким мотором только на механике. Что за определение ждёшь от прошивки?
  15. Добрый день берите RenoLink, и меняйте комплектацию во всех блоках!! Кроме ЭБУ! Там надо подбирать прошивку на механике!
  16. Это мой единственный программатор, не планировал продавать. В этой теме люди пишу: Но раз у вас есть интерес к прибору, может хоть какой-то в ней смысл есть?
  17. Через еепром программер делал ресет тоже не как. Вин в моторнике есть , а где 11 знатный код иммо в моторнике посмотреть?
  18. подскажите где купить ори ключ на AUDI A4 B9 2017 год ? хорс пока не делает ключи а kydz на сколько я понял не работает с хорсом
  19. В принципе и с ABS разобрался. Конфиг поменять в ABS не возможно. Нужно переписывать Flash. M&D Flasher с этим справится!!!! Осталось найти нужную прошивку. Как версией определится?
  20. Benadas

    98820BT50A crash

    пример правки 98820 BK50A.zip
  21. User_1

    98820BT50A crash

    qashqai 2010. помогите почистить краш 93С56 orig crash.bin
  22. Номер блока и ндификатор прошивки
  23. Моторный в диагностике 2 строки идентов ВИН и 11 значную иммо отдает? Если нет то не привяжете.
  24. Скинь номер блока и индикаторы прошивки
  25. Есть другое оборудование и софт которое меняет все это без проблем)
  1. Загрузить ещё активность
×
  • Создать...