Перейти к содержанию

Opel Zafira C 2015 1,6 CDTi схема парктроника


markusig

Рекомендуемые сообщения

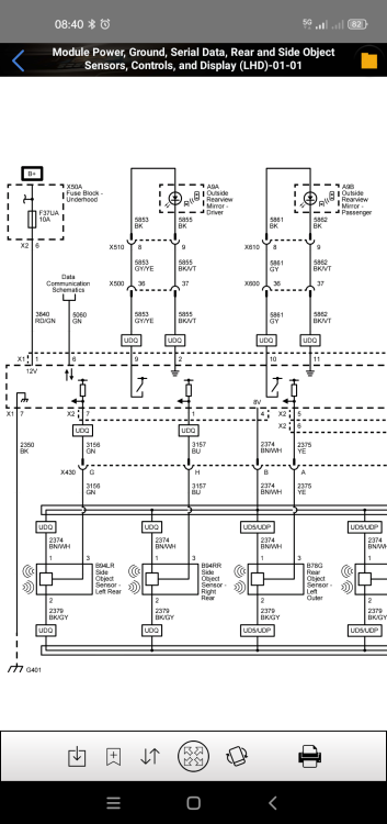
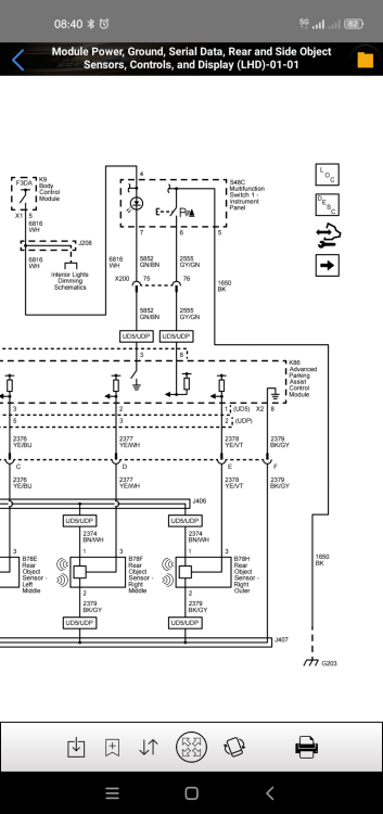
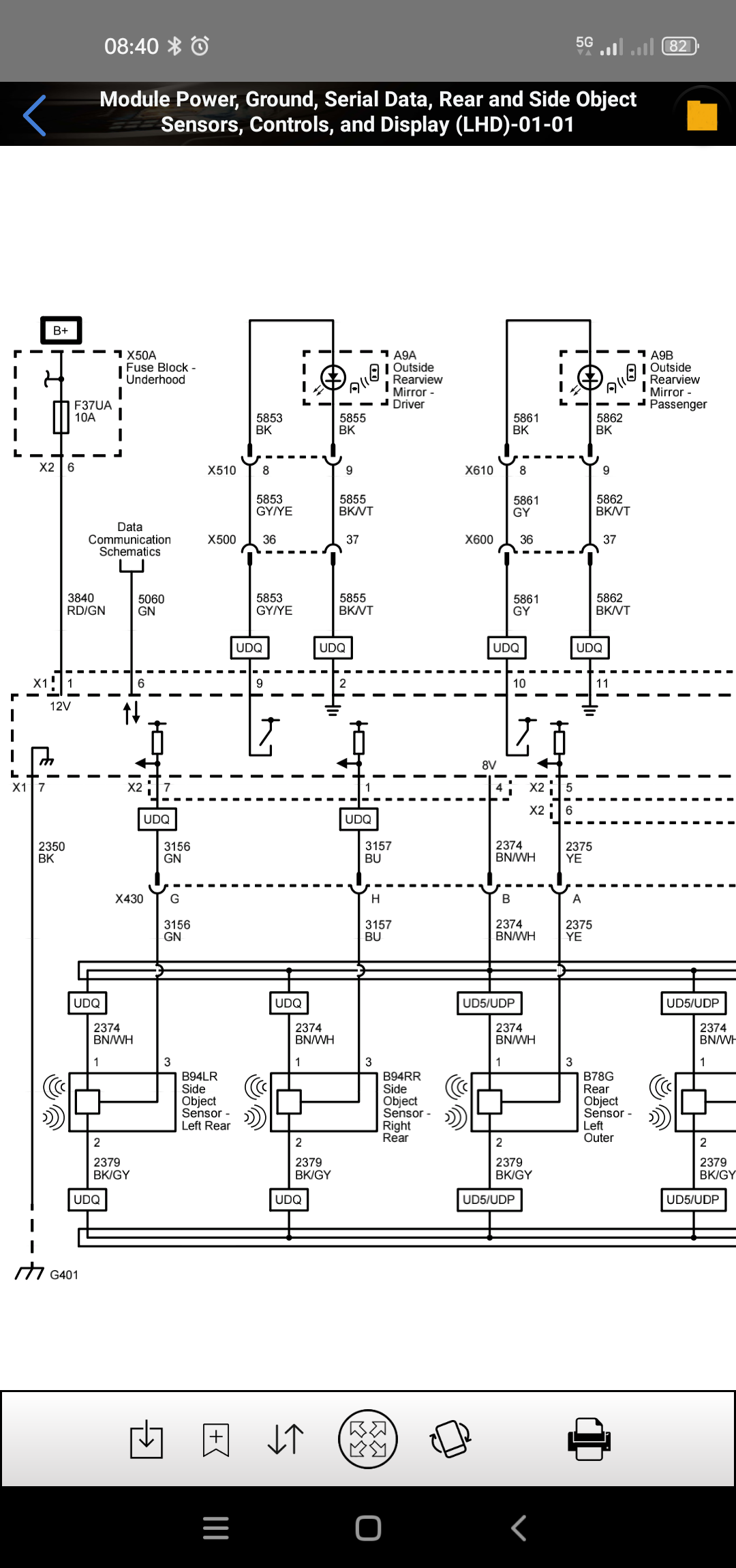
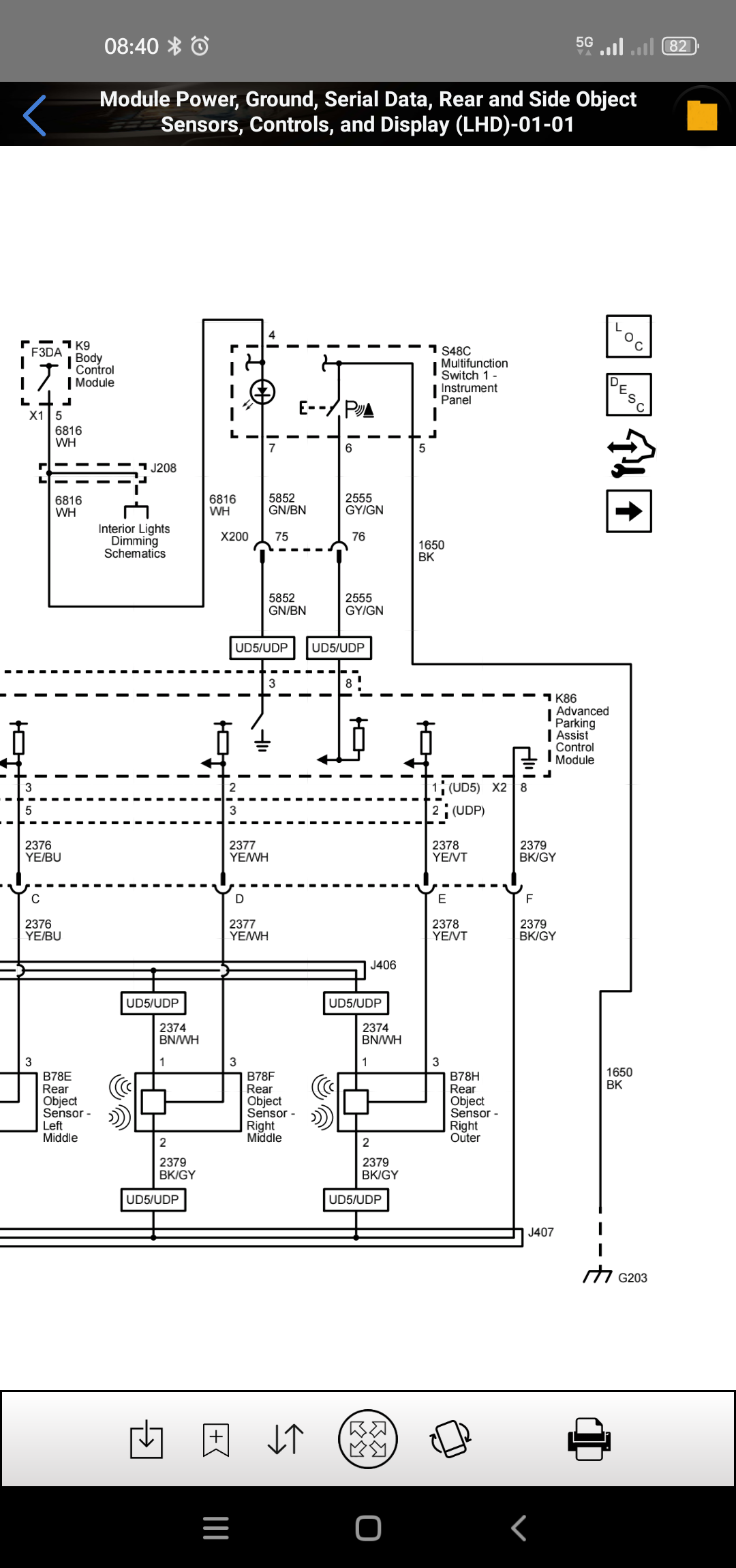
Всем здоровья,парни,нужна схема парктроника данного авто, ЭБУ не на связи,необходимо проверить питание на блоке управления.В моих источниках ничего не найдено,помогите плиз...

Ссылка на комментарий
Поделиться на другие сайты

Вот что нашёл Screenshot_20251201-084032.thumb.png.b5f3fdd61db25bfee4d68baf27c1fa9f.pngScreenshot_20251201-084039.thumb.png.41ede05e3c3294bf40b03d6527d9a7bd.png

Ссылка на комментарий
Поделиться на другие сайты

Для публикации сообщений создайте учётную запись или авторизуйтесь

Вы должны быть пользователем, чтобы оставить комментарий

Создать аккаунт

Зарегистрируйте новый аккаунт в нашем сообществе. Это очень просто!

Регистрация нового пользователя

Войти

Уже есть аккаунт? Войти в систему.

Войти
  • Последние посетители   0 пользователей онлайн

    • Ни одного зарегистрированного пользователя не просматривает данную страницу
×
  • Создать...