Autodw.pl 265 Опубликовано Среда в 18:16 Поделиться Опубликовано Среда в 18:16 Доброго дня. Конкретнее, ищю схему блока комфорта/иммо. Авто привезли на лавете, с блоком по иммо. a-0662g03b Там тот еще квест с родным пультом. Пульт оживил, иммо отпустило. Родной ЦЗ не работает, и был вколхозен китайский блок, порезана родная проводка. Нужно восстановить. Ссылка на комментарий Поделиться на другие сайты Поделиться
RAZOR85 251 Опубликовано Среда в 18:34 Поделиться Опубликовано Среда в 18:34 Ссылка на комментарий Поделиться на другие сайты Поделиться
Autodw.pl 265 Опубликовано Среда в 19:14 Автор Поделиться Опубликовано Среда в 19:14 Спасибо но не оно. Там видимо должно быть как Rover 25 2001 - 2004г. Такой блок. Spoiler обозначения к электрической схеме MG ZR 15 Замок зажигания — зажигание ВКЛ 30 "+" аккумуляторной батареи 31 "-" аккумуляторной батареи A11 Многофункциональный блок управления A23 Блок управления противоугоннойсистемой A31 Блок управления центральным замком B123 Датчик изменения объема (противоугонная система) EP1 Точка массы EP3 Точка массы EP5 Точка массы F14 Предохранитель F17 Предохранитель K48 Реле противоугонной системы M46 Электродвигатель центрального замка (дверь водителя) M47 Электродвигатель центрального замка (левая задняя дверь) M48 Электродвигатель центрального замка (дверь пассажира) M49 Электродвигатель центрального замка (правая задняя дверь) M58 Электродвигатель центрального замка (крышка багажника / задняя дверь) S18 Выключатель освещения салона (со стороны водителя) S19 Выключатель освещения салона (со стороны пассажира) S20 Выключатель освещения салона (левый задний) S21 Выключатель освещения салона (правый задний) S22 Выключатель освещения (багажное отделение) S248 Концевой выключатель противоугонной системы, капот X92 Разъем (джампер) цвета проводов на схеме. bl = синий br = коричневый gn = зеленый gr = серый rs = розовый rt = красный ws = белый hbl = голубой el = кремовый ge = желтый nf= нейтральный og=оранжевый sw = черный vi = фиолетовый hgn= светло зеленый rbr = пурпурный Ссылка на комментарий Поделиться на другие сайты Поделиться
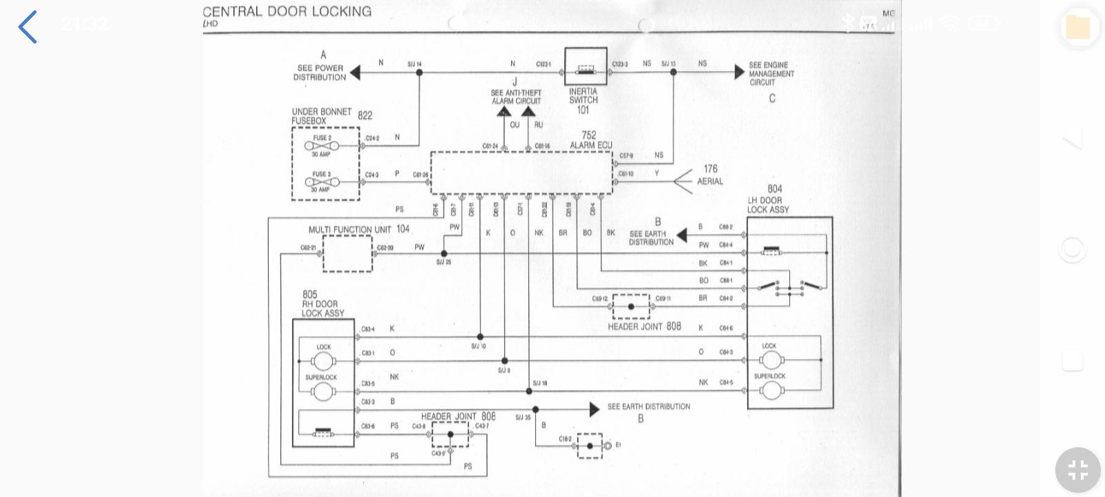
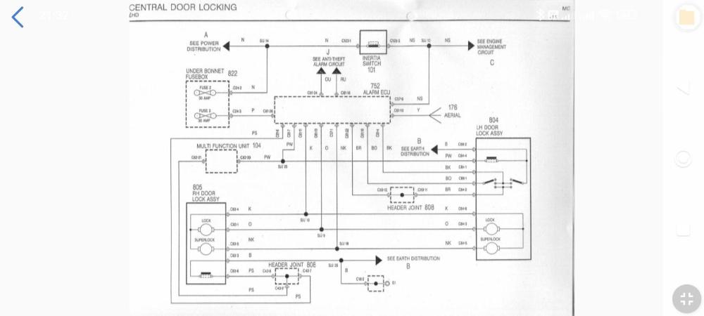
RAZOR85 251 Опубликовано Среда в 20:03 Поделиться Опубликовано Среда в 20:03 Это с автодаты на Ровер 25 с 2002. Ссылка на комментарий Поделиться на другие сайты Поделиться
Рекомендуемые сообщения
Для публикации сообщений создайте учётную запись или авторизуйтесь
Вы должны быть пользователем, чтобы оставить комментарий
Создать аккаунт
Зарегистрируйте новый аккаунт в нашем сообществе. Это очень просто!
Регистрация нового пользователяВойти
Уже есть аккаунт? Войти в систему.
Войти